
Vehicle-mounted wireless access platform for the large users of the vehicle, which supports up to 40 users and each user’s throughput up to 500kbps simultaneously or supports 60 users with small data access simultaneously online, full-car non-dead Angle wireless coverage scheme.
Bus entertainment system
Support 802.11abgn
Support 20/40MHz channel bandwidth
Support A - MPDU/AMSDU RX
SGI, Tx/Rx STBC, LDPC
WDS, Repeater, QWRAP
16 VAPs, WMM, WDS, DFS
Support WAPI protocol
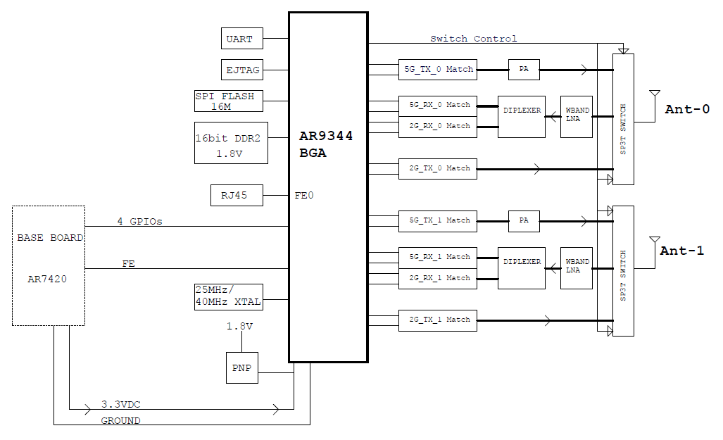
AR9344